磁条卡阅读器模块

一、概述:
磁条卡阅读器模块采用了性能优秀的专用解码IC,具有体积小、功耗低、抗干扰能力强、解码成功率高、对弱磁卡解码能力强等特点。读卡器遵循ISO-7811/7813标准,支持双向刷卡可,方便嵌入POS机、POS键盘、平板电脑等设备中。支持和其他读卡器连接使用,例如身份证读卡器、社保卡读卡器、IC卡读卡器等集成,行成一套多功能智能卡读写器模组。
二、功能特点:
a)专用解码IC,具有功耗低、抗干扰能力强、解码成功率高、对弱磁卡解码能力强等特点。读卡器遵循ISO-7811/7813标准;
b)支持双向刷卡,刷卡速度为10cm/sec ~ 150cm/sec;
c)采用高寿命磁头,刷卡寿命在80万次以上;
d)串口TTL / RS232接口;
e)串口波特率4800-115200可设置;

三、运用领域:
1、门禁考勤系统
2、POS终端
3、银行系统
4、ID身份验证
5、多媒体查询机
6、医疗自助挂号机、取号机
四、性能参数:
参数项目参数指标
接口方式TTL / RS232
波特率默认9600bps,可修改
静态电流10mA(DC5V )
磁卡标准ISO / AAMVA / JIS-II
读取轨道全三轨道
解码方式F2F(FM)
刷卡速度10cm/sec ~ 150cm/sec
磁头寿命80万次以上
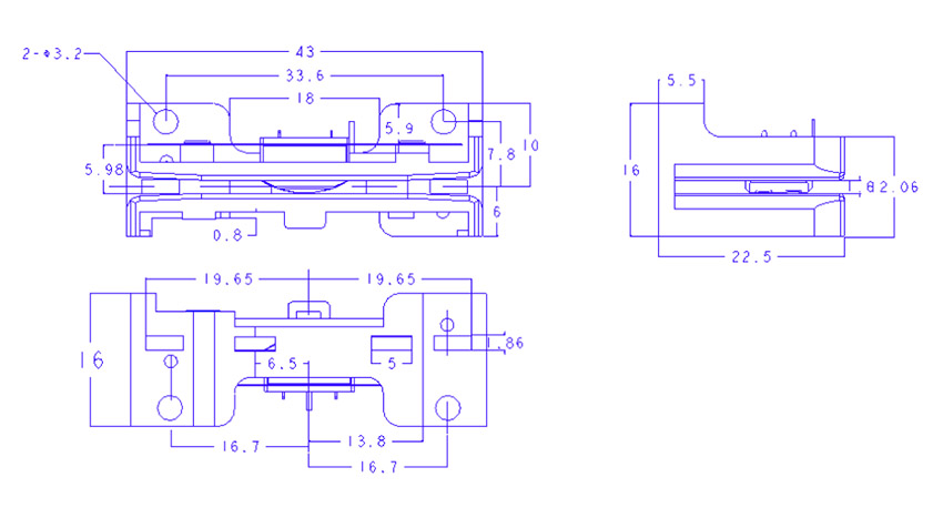
外形尺寸43 * 16 * 22.5 mm
五、注意事项:
a)使用的磁卡要符合ISO-7811/7813;
b)刷卡时用手抓住磁卡中心位置,将磁条对准读卡器磁头那面,当卡片移动到磁头位置时稍微将卡片往下压然后匀速划过磁头,整个过程保证卡片和读卡器导轨平行,这样可以获得100%的成功率;
c)当出现读卡成功率低,刷卡阻力大的时候请清洁磁头;
六、安装尺寸图:

(*由于产品升级或其他原因,磁条卡阅读器模块产品实际参数有可能变更,以实际产品为准。本文中的所有陈述、信息和建议也不构成任何明示或暗示的担保)
下一篇: EST-100M嵌入式身份证读卡器小模组




















































